Holley
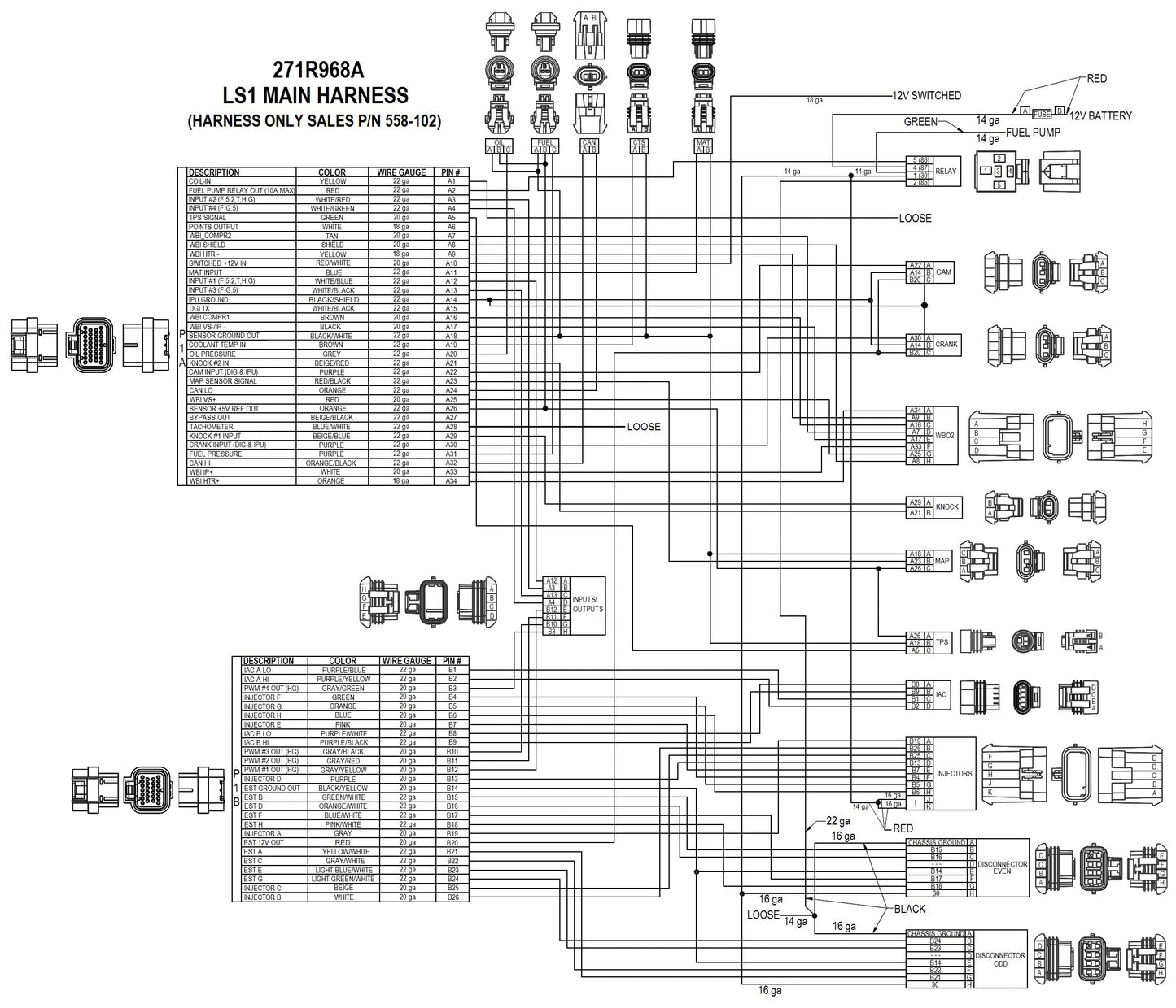
(558-102) LS1/6 (24X/1X) Engine Main Harness
(558-102) LS1/6 (24X/1X) Engine Main Harness
LS1/6 Main Harness for HP EFI & Dominator EFI
This harness is designed for LS1/6 Engines, from 1997-2004. This harness interfaces with 24x Crank and 1x Cam sensors.
Couldn't load pickup availability
Emissions Regulations
Emissions Regulations
Some of the parts sold on our store are illegal to install on an emissions controlled vehicle. Please check with your local state / city emissions office to verify whether this item is legal for installation on your vehicle.
The following vehicles are considered Uncontrolled (Non-Emissions Controlled) Vehicles:
1965 and older U.S. manufactured California Certified vehicles
1967 and older U.S. manufactured Federally Certified vehicles
1967 and older Foreign manufactured vehicles
The following vehicles are considered Emissions Controlled Vehicles:
1966 and newer U.S. manufactured California Certified vehicles
1968 and newer U.S. manufactured Federally Certified vehicles
1968 and newer Foreign manufactured vehicles
Shipping & Returns
Shipping & Returns


